水处理技术
1、高效强化除钙技术
该技术主要基于浅层沉淀的原理,在融合了混凝、絮凝、脱钙及污泥浓缩的基础上研发而成,主要用于含钙废水深度处理及回用等。

l 混凝、絮凝、钙技反应及沉淀区域高度集成,设备紧凑,占地面积小;
l 异向错流的搅拌系统保证废水能与混凝剂、除钙剂充分混合,提高药剂使用效率,降低加药成本;
l 测流布水系统保证钙泥能以最大的沿成功通过沉淀区域,保证钙泥最大化程度被去除,出水水质稳定可靠;充分利用层流原理,结合浅层技术,提高沉淀系统的处理能力;
2、高效污水净化系统
博奇脱硫废水处理拥有近百套的运行业绩,技术成熟,运行稳定可靠,工程实施经验丰富;近年来,博奇还致力于脱硫废水深度处理技术研发,采用先进的国外浓缩技术,实现脱硫废水的回用和近零排放。

l 高效无动力污水净化器,可实现对污水中SS、TP、COD及重金属等污染物的快速去除,大大削减进入水体的污染物总量,使黑臭水体快速还清;
l 设备由快速混合区、混凝反应区、高密絮凝区、超高速沉淀区及污泥浓缩区组成;
有卧式和立式两种设计形式,设备构造简单,占地小,通过超高速混合与沉淀、内循环式反应、泥层高效吸附截留、高负荷沉淀等核心技术,完成对污水的高效脱磷、除浊、复氧等功能,实现“生态未来、绿色治理”的目标;
3、厌氧反应器
该技术借助微生物在无氧状态下,将有机污染物COD转化为沼气CH4,广泛应用于食品、饮料、发酵、造纸、垃圾渗滤液等轻工行业。

l 立式结构,占地省,高度一般为12-20米;有机负荷高,水力停留时间短,容积符合最大可达20kgCOD/(m³*d);上升流速低,节约能耗(上升流速控制在2-4m/h,无需过多回流);
l 通过三相分离器的特殊设计,可充分促进微生物的生长,同时提高沼气产率(产气率可达0.4m3/kgCOD)
l 抗冲击负荷,毒性耐受能力强,广泛适用于各类工业废水处理,且内部无运转部件,无需维修,使用寿命长
4、流体化床芬顿(Fenton)氧化技术
该技术利用羟基自由基将废水中的污染物直接矿化,能有效降解环类、苯基、螯合机等极难分解的化合物,广泛应用于造纸、印染、制药等行业工业废水处理。

l 是一项结合了同相化学氧化(Fenton法)、异相化学氧化(H2O2/FeOOH)、流体化床结晶及FeOOH的还原溶解等功能的新技术
l 针对传统Fenton法污泥产量太多的缺点加以改良,利用电场或结晶技术来提升处理效果及降低化学污泥产量,使适用范围大为增加
l 可减少传统Fenton法大量的化学污泥产量,同时在担体表面形成的铁氧化物具有异相催化的效果,而流体化床的方式亦促进了化学氧化反应及质传效率,使CODcr去除率提升
5、湿法脱硫废水处理技术
博奇脱硫废水处理拥有近百套的运行业绩,技术成熟,运行稳定可靠,工程实施经验丰富;近年来,博奇还致力于脱硫废水深度处理技术研发,采用先进的国外浓缩技术,实现脱硫废水的回用和近零排放。

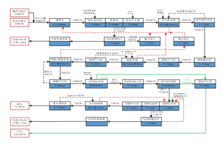
废水零排工艺流程图

