>>结构特征
1. 铁芯:
铁芯采用高导磁优良晶粒取向冷扎硅钢片,45°全斜步进接缝,铁芯采用特殊的方管拉板结构,芯柱采用绝缘带绑扎,铁芯表面采用特殊树脂涂覆以防潮防锈,有效降低了空载损耗、空载电流和铁芯噪音。
安全,难燃防火,无污染,可直接安装在负荷中心。
免维护、安装简便、综合运行成本低。
防潮性能好,可在100%湿度下正常运行,停运后不经预干燥即可投入运行。
损耗低、局部放电量低、噪音小、散热能力强,配备有完善的温度保护控制系统,为变压器安全运行提供可靠保障。 可靠性高。据对已经投入运行的产品的运行研究,产品的可靠性指标已经达到国际专业水平。 2. 箔式线圈:
低压绕组采用整段铜箔,连同F级的匝绝缘在专用低压箔绕机上绕制。箔式线圈较好地解决了低电压,大电流线圈线绕产品短路应力大,安匝不平衡,散热效果差,存在绕制螺旋角,人工焊接质量不稳定的突出问题。同时我公司绕组端部用树脂灌封,固化成形,防潮防污。 3. 温控装置:
变压器采用BWDK系列信号温度计,测温元件埋设在低压线圈上半部,可自动检测并巡回显示三相线圈各自的工作湿度。并且有超温报警和跳闸功能。
4. 电压转换:
连接片在不同的档位,可实现10kV和20kV电压的转换,分别适用于10kV和20kV系统电压要求。
1/1
环氧树脂浇注干式变压器
EXW
¥5,000.00-100,000.00 /台
产品介绍
技术参数
主要技术参数:
| 额定容量(KVA) | 电压组合 | 连接组标号 | 损耗(KW) | 空载电流(%) | 短路阻抗(%) | |||
| 高压(KV) | 高压分接范围 | 低压(KV) | 负载 | 空载 | ||||
| 50 | 20、22、24/10、11、12 |
±5% ±2x2.5% |
0.4 | Dyn11 | 1.23 | 0.3 | 2.3 | 6 |
| 100 | 1.98 | 0.47 | 1.9 | |||||
| 160 | 2.46 | 0.58 | 1.7 | |||||
| 200 | 2.93 | 0.64 | 1.6 | |||||
| 250 | 3.4 | 0.73 | 1.5 | |||||
| 315 | 4.06 | 0.84 | 1.4 | |||||
| 400 | 4.82 | 1.0 | 1.3 | |||||
| 500 | 5.76 | 1.17 | 1.3 | |||||
| 630 | 6.8 | 1.32 | 1.2 | |||||
| 800 | 8.22 | 1.52 | 1.1 | |||||
| 1000 | 9.73 | 1.79 | 1.0 | |||||
| 1250 | 11.48 | 2.06 | 1.0 | |||||
| 1600 | 13.79 | 2.41 | 0.9 | |||||
| 2000 | 16.29 | 2.8 | 0.9 | |||||
| 2500 | 19.27 | 3.34 | 0.8 | |||||
| 3150 | ||||||||
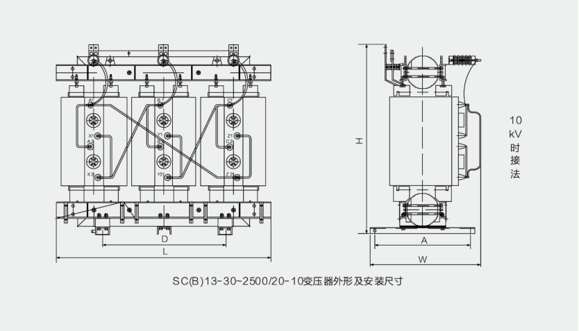
外形安装及尺寸:

该供应商其他产品
沟通报价
美式预装式箱式变电站
1000-50000 /套
户外预装式变电站(欧式)
3000-100000 /台
SCB18环氧树脂浇铸干式变压器
3000-100000 /台
SCBH15干式非晶合金配电变压器
10000-100000 /台
双绕组 OLTC 油浸式电力变压器
5000-200000 /台
三相油浸式有载调压变压器
5000-100000 /台
环保型干式变压器
5000-100000 /台
干式变压器SCB11
5000-90000 /台
非晶合金配电变压器
5000-40000 /台
立体卷铁芯变压器
5000-100000 /台
全密封配电变压器
300-25000 /套
综合配电箱(补偿/控制/终端/照明)
