
国家发展改革委等部门关于发布《煤炭清洁高效利用重点领域标杆水平和基准水平(2025年版)》的通知
发改运行〔2025〕1499号
各省、自治区、直辖市、新疆生产建设兵团发展改革委、工业和信息化主管部门、生态环境厅(局)、住房和城乡建设厅(委、管委、局)、市场监管局(厅、委)、能源局:
为贯彻落实党中央、国务院决策部署,推动煤炭产业由低端向高端、煤炭产品由初级燃料向高价值产品攀升,按照《国家发展改革委等部门关于加强煤炭清洁高效利用的意见》(发改运行〔2024〕1345号),经商有关方面,现发布《煤炭清洁高效利用重点领域标杆水平和基准水平(2025年版)》,并就有关事项通知如下。
一、拓展重点领域范围,强化导向引领作用
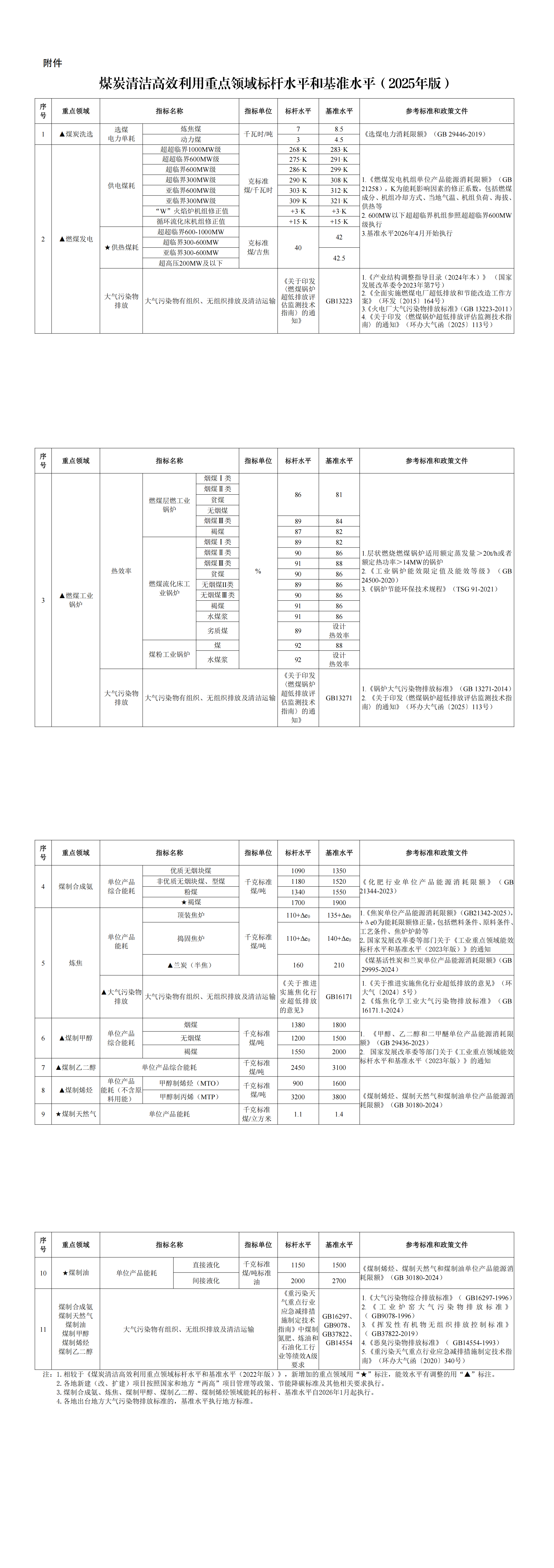
结合煤炭行业发展现状和潜力,在此前重点领域能效标杆水平和基准水平的基础上,将燃煤发电供热煤耗、煤制天然气等纳入范围。对标国内外煤炭清洁高效领域先进水平,以及国家、地方现行政策、标准中先进能效指标值和最严格污染物排放要求,完善煤炭清洁高效利用标杆水平。参考国家现行标准中的准入值或限定值,以及国家政策文件明确的相关指标,科学确定煤炭清洁高效利用的基准水平。煤炭清洁高效利用重点领域标杆水平和基准水平将视行业发展和标准制修订情况进行动态调整,强化标杆水平引领作用和基准水平约束作用。
二、分类实施改造升级,着力提升利用水平
鼓励和引导行业企业结合实际和长远发展,对项目实施改造升级。对新建煤炭开发利用项目和有条件的存量项目,推动清洁高效利用水平应提尽提,力争达到标杆水平。对清洁高效利用水平低于现有基准水平的存量项目,引导企业有序开展煤炭清洁高效利用改造,加快推动企业减污降碳,坚决依法依规淘汰落后产能、落后工艺。对需开展煤炭清洁高效利用改造的项目,各地应在不影响电力、热力供应的情况下明确改造升级和淘汰时限(一般不超过3年)以及年度计划,在规定时限内升级到基准水平以上,力争达到标杆水平;对不能按期改造完成的项目予以淘汰。加强煤炭清洁高效利用工艺技术装备研发和推广应用,开展煤炭清洁高效利用项目评价,积极推动技术改造升级项目建设。
三、加大政策支持力度,加快推进转型升级
充分利用现有政策工具和工作机制,加大煤炭清洁高效利用市场调节和督促落实力度。利用现有中央资金渠道,积极支持符合条件的煤炭清洁高效利用重点项目。健全完善相关金融政策,引导和吸引社会资本广泛参与煤炭清洁高效利用。引导银行业金融机构按照市场化、法治化原则加大对符合条件的绿色低碳转型项目的信贷支持力度。落实专用装备、技术改造、资源综合利用等方面的优惠政策,加快企业改造升级步伐,提升煤炭清洁高效利用整体水平。
各地有关部门要充分认识推动煤炭清洁高效利用的重要意义,及时总结工作经验,立足本地实际,加强统筹衔接,坚持系统观念,强化责任落实,细化工作安排,加大推进力度,加快推动煤炭清洁高效利用,助力推进清洁低碳、安全高效的能源体系建设。
本通知自印发之日起执行,《国家发展改革委等部门关于发布〈煤炭清洁高效利用重点领域标杆水平和基准水平(2022年版)〉的通知》(发改运行〔2022〕559号)同时废止。
国家发展改革委
工业和信息化部
生 态 环 境 部
住房城乡建设部
市场监管总局
国 家 能 源 局
2025年11月24日











